1996 Mr.Pink
- woody90gtz
- Registered User
- Posts: 4747
- Joined: Thu Jul 11, 2002 8:45 pm
- Location: Walton, NY
- Contact:
Re: 1996 Mr.Pink
You are not going to see pulsations in the psi...we are talking milliseconds. But fuel injectors also work in milliseconds, so it can make a difference with them. And your setup may be very similar in length pre and post regulator to OEM, but if the OEM rails used with that system had a damper and you do not, then that is a big difference. That's what I'm getting at. I wouldn't rule it out as unnecessary that quickly.
Have you checked plugs to see how the fuel distribution is? At idle/low rpm is probably where it would make the most difference.
Have you checked plugs to see how the fuel distribution is? At idle/low rpm is probably where it would make the most difference.
91 "SS" - WOT 3400/5spd - 13.29@101.6 - World's fastest N/A FWD Beretta
96 "T56" LS/6spd/8.8 RWD swap - 13.45@104.7 lol
GEARHEAD dezign youtube
96 "T56" LS/6spd/8.8 RWD swap - 13.45@104.7 lol
GEARHEAD dezign youtube
- 3X00-Modified
- Administrator
- Posts: 10919
- Joined: Thu Jul 05, 2007 9:18 am
- Location: Brooklyn CT
Re: 1996 Mr.Pink
But it doesn't have a damper... that's the point I'm trying to make. the 3400 rails I'm using did not have anything special regarding that and neither does the 3500 set. I've also been running my current rails with a rail mounted adjustable FPR with the same lengths of line... so my point is nothing has changed from last year except for the regulator and the deadhead vs thru rail flow. Both versions deadhead/thru rail would experience the same pulsations your speaking of if they are truly an issue.woody90gtz wrote: And your setup may be very similar in length pre and post regulator to OEM, but if the OEM rails used with that system had a damper and you do not, then that is a big difference.
I mean I don't want to generate more issues than what I already have so why am I going to dig into this if I've never had any symptoms before pointing in the direction of this being an issue.
I'd like to solve my current issue of the fact that this type of regulator doesn't hold a prime pressure so I need to find a way to have the pump prime for longer, OR simply come on with the ignition and not use the oil pressure safety circuit to enable it after the prime.
Re: 1996 Mr.Pink
A lift pump with an integrated check valve might help if available? Or see if you can inline a check valve pre-reg that will not bleed off pressure?
The segregated circuit to extend priming would probably be simplest solution imo.
The segregated circuit to extend priming would probably be simplest solution imo.
_________

-------------

-------------
- 3X00-Modified
- Administrator
- Posts: 10919
- Joined: Thu Jul 05, 2007 9:18 am
- Location: Brooklyn CT
Re: 1996 Mr.Pink
The Walbro pump has a check valve in it already. The pressure bleed off is coming from the regulator itself and the seal it has, as they note it's designed for flow and steady pressure when engine and pump are running, not for perfect seal after a prime situation.1988GTU wrote:A lift pump with an integrated check valve might help if available? Or see if you can inline a check valve pre-reg that will not bleed off pressure?
Re: 1996 Mr.Pink
What if you unplug the opsu? That should change how long the pump runs during a KOEO cycle. Also, can you change the oil psi setting (enabler for limiter to f/p?)
_________

-------------

-------------
- woody90gtz
- Registered User
- Posts: 4747
- Joined: Thu Jul 11, 2002 8:45 pm
- Location: Walton, NY
- Contact:
Re: 1996 Mr.Pink
Oh, I thought that 3500 rail did have a damper on it. I know at some point the OEMs figured out how to design the rail cross sectional area to eliminate the need for one. Simple is best.3X00-Modified wrote:But it doesn't have a damper... that's the point I'm trying to make. the 3400 rails I'm using did not have anything special regarding that and neither does the 3500 set.woody90gtz wrote: And your setup may be very similar in length pre and post regulator to OEM, but if the OEM rails used with that system had a damper and you do not, then that is a big difference.
91 "SS" - WOT 3400/5spd - 13.29@101.6 - World's fastest N/A FWD Beretta
96 "T56" LS/6spd/8.8 RWD swap - 13.45@104.7 lol
GEARHEAD dezign youtube
96 "T56" LS/6spd/8.8 RWD swap - 13.45@104.7 lol
GEARHEAD dezign youtube
- 3X00-Modified
- Administrator
- Posts: 10919
- Joined: Thu Jul 05, 2007 9:18 am
- Location: Brooklyn CT
Re: 1996 Mr.Pink
Older pre 3x00 cars had a damper in the tank between the pump and pickup, they have since removed it from the system with the new motors. Not sure what changed to remove it but they did.
- 3X00-Modified
- Administrator
- Posts: 10919
- Joined: Thu Jul 05, 2007 9:18 am
- Location: Brooklyn CT
Re: 1996 Mr.Pink
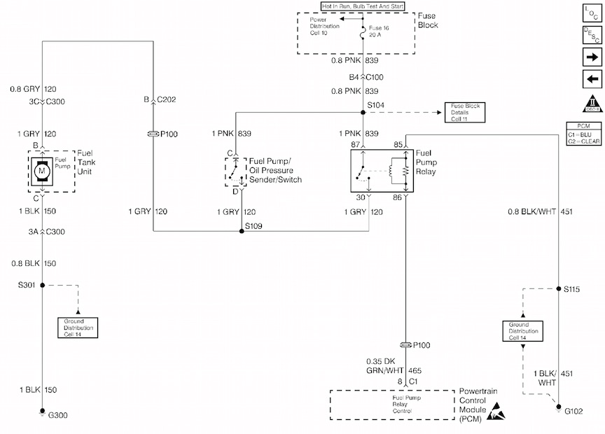
I can't find anything that I can change to modify the time it runs or when it clicks on. I believe the oil pressure PSI setting is manual and inside the OPSU. Now looking at the schematic of the fuel pump system it appears that the relay on the strut tower is only used during the priming situation... after that the OPSU controls or re-routes power to the fuel pump once it sees pressure.1988GTU wrote:What if you unplug the opsu? That should change how long the pump runs during a KOEO cycle. Also, can you change the oil psi setting (enabler for limiter to f/p?)
I will have to check the wire coming from the ECU to see if it's hot when running or if its only hot at KOEO for the set 2-3 seconds.
If this is the case then I can replace that relay with a N.O. delay timer relay that will get triggered by the ECU's output and then remain on for up to 2-min after that ECU trigger is shut off.
-
- Administrator
- Posts: 1775
- Joined: Wed Mar 03, 2004 10:03 pm
- Location: Long Grove, IL
- Contact:
Re: 1996 Mr.Pink
This is what the service manual says..
GM wrote:Fuel Pump Electrical Circuit
When the key is first turned ON, the PCM energizes the fuel pump relay for two seconds to build up the fuel pressure quickly. If the engine is not started within two seconds, the PCM shuts the fuel pump OFF and waits until the engine is cranked. When the engine is cranked and the RPM signal has been detected by the PCM, the PCM supplies 12 volts to the fuel pump relay to energize the electric in-tank fuel pump.
As a backup system to the fuel pump relay, the fuel pump can also be energized by the fuel pump and engine oil pressure indicator switch. The normally open switch closes when oil pressure reaches about 28 kPa (4 psi). If the fuel pump relay fails, the fuel pump and engine oil pressure indicator switch will close and run the fuel pump.
An inoperative fuel pump relay can result in long cranking times, particularly if the engine is cold.
An inoperative fuel pump would cause a no start condition. A fuel pump which does not provide enough pressure can result in poor performance.
Cliff Scott


- 3X00-Modified
- Administrator
- Posts: 10919
- Joined: Thu Jul 05, 2007 9:18 am
- Location: Brooklyn CT
Re: 1996 Mr.Pink
Ok so the oil relay is a backup. I was going to start wondering that because I heard the relay click after it was running last night.
I'll have to see how the timer relay operates with a steady input and if it only runs the timer after power is removed from that input. It may still work.
I'll have to see how the timer relay operates with a steady input and if it only runs the timer after power is removed from that input. It may still work.
Re: 1996 Mr.Pink
How many seconds are you wanting to have total for the priming?
_________

-------------

-------------
Re: 1996 Mr.Pink
http://www.amazon.com/PowerArt-Switch-A ... elay+relay
http://www.amazon.com/Power-Supply-Adju ... AE2AA6AW3Q
maybe that can drive an idea on what to "build" in place?
http://www.amazon.com/Power-Supply-Adju ... AE2AA6AW3Q
maybe that can drive an idea on what to "build" in place?
_________

-------------

-------------
- 3X00-Modified
- Administrator
- Posts: 10919
- Joined: Thu Jul 05, 2007 9:18 am
- Location: Brooklyn CT
Re: 1996 Mr.Pink
I saw timers like that but for them to operate properly I think I would need them to be in parallel with the wire coming from the ECU since that is also triggered once RPM is detected and used in the running condition. If I put it in parallel it can take over when the ECU stops the 2 sec prime and basically be bypassed later... But I would have to have a diode between the output of that timer and the ECU so it doesn't feed voltage backwards to the output pin on the ECU. The Timer Relay would be neat because that would stay contained and replace the current relay and I wouldn't have to worry about something feeding power back to the ECU... It would just keep engaged for the time limit after the ECU stops sending it a signal for 2 seconds.
Honestly I don't know how long I want it to prime but I want it running the whole time it's cranking over and I'm trying to start the engine... so in reality I would only want it to stop in a condition where I do KOEO and I am flashing the ECU, so if it would prime for 30 seconds that would be great.
I'm tempted to hot the relay wire with just an ignition voltage source so the pump would be on all the time when in KOEO mode... and I could put a switch inline to disable it if I wanted.
Honestly I don't know how long I want it to prime but I want it running the whole time it's cranking over and I'm trying to start the engine... so in reality I would only want it to stop in a condition where I do KOEO and I am flashing the ECU, so if it would prime for 30 seconds that would be great.
I'm tempted to hot the relay wire with just an ignition voltage source so the pump would be on all the time when in KOEO mode... and I could put a switch inline to disable it if I wanted.
- 3X00-Modified
- Administrator
- Posts: 10919
- Joined: Thu Jul 05, 2007 9:18 am
- Location: Brooklyn CT
Re: 1996 Mr.Pink
That's what I'm looking at... Wondering how it operates with a steady input signal if maybe it stays on and the timer isn't enabled so it will work like the normal relay during run.